Велофара своими руками.

orex_
* *
Повідомлень:78
З нами з:25.5.09 16:18
Стать:чол
Звідки:Рахів, Закарпатська
Re: Велофара своими руками.

Повідомлення orex_ » 27.7.10 19:16


детально про фару можна глянути тут http://notes.if.ua/content/view/133
- Доброго дня, красиво зроблено, я пробую "шо-то клепати " але якось не дуже йде . Тут промижуточні фото проекта, пока робиться http://www.radikal.ru/users/orex--/r5-2

Аватар користувача
Kuptik
* * * * *
Повідомлень:1827
З нами з:31.10.06 23:29
Skype:kupteg
Стать:чол
Звідки:Севастопольская площадь

Re: Велофара своими руками.

Повідомлення Kuptik » 28.7.10 11:12

вирішив і собі зробити щось пристойне
хорошая вещь получилась!
приятный корпус, дальний + ближний, отдельный блок управления на руле! респект!
Продам женские велошорты Endura Singletrack Ladies 3/4 Shorts, М
http://www.velokiev.com/forum/viewtopic.php?f=172&t=113432

Аватар користувача
Maksym
*********
Повідомлень:5638
З нами з:29.5.06 22:57
Стать:чол
Звідки:Київ, Куренівка

Re: Велофара своими руками.

Повідомлення Maksym » 28.7.10 14:49

:empathy
Востаннє редагувалось 6.3.12 21:43 користувачем Maksym, всього редагувалось 1 раз.

Аватар користувача
Vasya_FD
*
Повідомлень:10
З нами з:27.7.10 15:29
Стать:чол

Re: Велофара своими руками.

Повідомлення Vasya_FD » 28.7.10 15:41

Дякую за схвальні відгуки.
Я такі подумав, що може комусь стане в пригоді моє рішення акумуляторного блоку, бо знаю з практики що це є трохи проблемою.
Самому він подобається, легко знімається з велика, легко виймаються акумулятори для зарядки чи заміни, та і виготовлений з доступних деталей (старого фотобарабана лазерного картриджа).

orex_
* *
Повідомлень:78
З нами з:25.5.09 16:18
Стать:чол
Звідки:Рахів, Закарпатська

Re: Велофара своими руками.

Повідомлення orex_ » 28.7.10 17:27

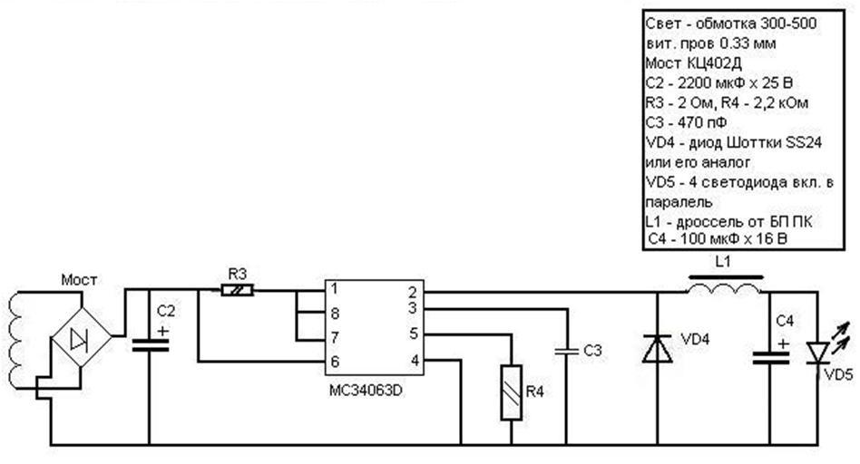
- допоможіть вирішити проблемку..., драйверок зібраний на МС34063 по такій схемці : (рисунок) , по даташиту має працювати з 5вольт починаючи ., в мене чомусь наблюдається така картинка , при 12 в. ,ток на СВД 750мА, (так налаштовував все ок), а при 6,2в, ток падає до 540мА.., теоритично ток повинен бути 750мА...?
Вкладення
Новый рисунок.jpg

Аватар користувача
AnalogDevices
* * * * *
Повідомлень:1686
З нами з:21.7.09 20:08
Skype:analog_devices
Стать:чол
Звідки:Киев, Подол

Re: Велофара своими руками.

Повідомлення AnalogDevices » 28.7.10 20:15

а с тепловыделением у тебя все нормально?...
Человек должен катать всё! Дёрт, ФР, КК, ДХ, Шоссе и шары в карманах.

Аватар користувача
Vasya_FD
*
Повідомлень:10
З нами з:27.7.10 15:29
Стать:чол

Re: Велофара своими руками.

Повідомлення Vasya_FD » 28.7.10 20:34

- допоможіть вирішити проблемку...
Я б заживив схемку від лабораторного блоку і плавно змінюючи напругу від 5В до 12В поглянув як буде мінятись струм, чи плавно , чи може стрибкоподібно при досягненні певної напруги..

orex_
* *
Повідомлень:78
З нами з:25.5.09 16:18
Стать:чол
Звідки:Рахів, Закарпатська

Re: Велофара своими руками.

Повідомлення orex_ » 28.7.10 23:25

а с тепловыделением у тебя все нормально?...
- при току до 750Ма все добре , при 800мА трошки тепленька мікросхема, при 840 \900 5 хв трошки гарячковата.
змінюючи напругу від 5В до 12В
- обов`язково завтра попробую відпишу.
- сьогодні тестив Р7 , з драйверком..., 5 хв драйвер теплий (видає 2,4---2,5А) і гріється далі, довше не ризикнув ,драйвер сам не робив , купив ... попався получається на якійсь підробці.

Аватар користувача
W^W
* *
Повідомлень:158
З нами з:27.3.08 23:29
Стать:чол
Звідки:Винница

Re: Велофара своими руками.

Повідомлення W^W » 29.7.10 08:27

- допоможіть вирішити проблемку..., драйверок зібраний на МС34063 по такій схемці : (рисунок) , по даташиту має працювати з 5вольт починаючи ., в мене чомусь наблюдається така картинка , при 12 в. ,ток на СВД 750мА, (так налаштовував все ок), а при 6,2в, ток падає до 540мА.., теоритично ток повинен бути 750мА...?
Все норм при такой схемотехнике. Хотя, должен меньше ток разниться...
Ведь ты стабилизируешь ток кристалла косвенным методом.
Считывает ток с резистора монитор пикового входного тока, а он имеет свое время срабатывания. И проверь осцилом импульсы при 6 и 12 В. Нет ли паразитных импульсов, на сколько меняется частота.

А вообще забей на эту мелочь, ведь, реально, на аккумах у тебя не будет такого разброса (заряд-разряд) напряжения.
Если литий, 3 акка последовательно, то диапазон будет 9-9.6 -- 12-12.3 Вольт, а значит ток на диоде у тебя будет в пределах 650-750 мА, и на глаз будет одинаково стабильно светить и радовать!

Аватар користувача
W^W
* *
Повідомлень:158
З нами з:27.3.08 23:29
Стать:чол
Звідки:Винница

Re: Велофара своими руками.

Повідомлення W^W » 29.7.10 08:59

- сьогодні тестив Р7 , з драйверком..., 5 хв драйвер теплий (видає 2,4---2,5А) і гріється далі, довше не ризикнув ,драйвер сам не робив , купив ... попався получається на якійсь підробці.
Такие драйвера, если 5 мин. и теплый - вполне нормально, при комнатной температуре проработает без проблем, если нет откровенного косяка.
Недавно гонял по теплу свой макет драйвера для SST-90, при токе 9-11 А, (вых. мощность 40-45), КПД - 93%. Так вот, без внешнего теплоотвода, на платке диам. 40 мм., при комнатной (+20 С) температуре, работает сколько угодно. Тесты показали, что без принудительного охлаждения, он работоспособен при температуре среды до 40-45 град. Но это проблематично обеспечить и нет запаса, если драйвер сидит в голове с мощным диодом, температуры под 60-70 С доходят. #close_tema
Нужно обеспечить контакт. В ближайшее время переделаю.

Аватар користувача
VRP
типа остроумный
типа остроумный
Повідомлень:6141
З нами з:12.6.08 11:50
Стать:чол
Звідки:Борщаговка

Re: Велофара своими руками.

Повідомлення VRP » 29.7.10 19:33

детально про фару можна глянути тут http://notes.if.ua/content/view/133
Класный самопал :good: , у меня была идея блока под акумы из трубки, но подходящей я найти не успел, а потом стало не актуально. Кстати, контакт на расколбасе не пропадает?
- Ты высыпаешься ночью?
- Куда высыпаюсь?
- Понятно..

x: как ты себя чувствуешь?
y: я чувствую себя так, как будто бы хочу торт

Сплю всегда с ножом под подушкой, на всякий случай, вдруг кто-нибудь с тортиком придет

orex_
* *
Повідомлень:78
З нами з:25.5.09 16:18
Стать:чол
Звідки:Рахів, Закарпатська

Re: Велофара своими руками.

Повідомлення orex_ » 29.7.10 21:51

- доброго,
получилася така картинка (осцилографа немаю):
5в =500мА;6в=610мА;7в=670мА;8в=700мА;9в=730мА;10в=710мА;11=760вмА;12в=730мА;...а далі був прикол з спец ефектом..., при спробі збільшити напругу на приборі (выпрямитель В-24) напруга на 12в ще трошки добавив ток на Випрям... піднявся до 0,5 -0,7А , на мультиметрі (міряє ток між СВД та драйвером ) 730мА і БАБАХ ... електроліт вхідний (16в 470мкф) розірвало і все потухло..., шкода якшо вилетів кристал, зара попробую замінити елект. побачим.

Аватар користувача
Vasya_FD
*
Повідомлень:10
З нами з:27.7.10 15:29
Стать:чол

Re: Велофара своими руками.

Повідомлення Vasya_FD » 30.7.10 08:23

Кстати, контакт на расколбасе не пропадает?
Контакт не пропадає, там досить жорстка пружинка стоїть. Ну хіба на нереальних кочках, ще на таких не тестив :)

Аватар користувача
jeti
* * * *
Повідомлень:739
З нами з:7.5.08 21:59
Стать:чол

Re: Велофара своими руками.

Повідомлення jeti » 1.8.10 09:14

Вот примеры качественных разъемов, такие, на расколбасах не подведут. А всякие там джеки и как у китайских БП, это фсе ф топку, оно не надежное. Разъем должен быть плотный и правильной конструкции. Убедился на личном опыте. Я использую тот что по середине.
Вкладення
03.jpg
03.jpg (19Кіб)Переглянуто 4880 разів
02.jpg
02.jpg (5.07Кіб)Переглянуто 4880 разів
01.jpg
01.jpg (8.84Кіб)Переглянуто 4880 разів

Аватар користувача
Maksym
*********
Повідомлень:5638
З нами з:29.5.06 22:57
Стать:чол
Звідки:Київ, Куренівка

Re: Велофара своими руками.

Повідомлення Maksym » 1.8.10 09:45

:empathy
Востаннє редагувалось 6.3.12 21:44 користувачем Maksym, всього редагувалось 1 раз.

Аватар користувача
shapirus
*********
Повідомлень:4596
З нами з:7.5.06 10:03
Стать:чол

Re: Велофара своими руками.

Повідомлення shapirus » 1.8.10 12:08

а я вот такие себе поставил

Зображення

сопротивление не измерял (да и пофиг при моих токах), а так фиксация прекрасная и все такое.

другое дело, что в обсуждаемом корпусе по любому придется делать контакт пружинкой, потому что туда вставляются индивидуальные банки 18650, которые нужно как-то удерживать. это же не батарея в намертво заклеенном корпусе с выведенными наружу проводами, к которым можно припаять какой хошь разъем.

Аватар користувача
jeti
* * * *
Повідомлень:739
З нами з:7.5.08 21:59
Стать:чол

Re: Велофара своими руками.

Повідомлення jeti » 1.8.10 14:22

Тот что по середине не имеет фиксации, а посему может быть легко выдернут на расколбасе например когда провод зацепится за что-нибудь.
Хе, хе. Ты не держал его в руках:) Он очень плотный.

Аватар користувача
Бешенный_бантик
модератор
Повідомлень:2631
З нами з:15.1.07 12:32
Стать:чол
Звідки:Киев, Борщаговка

Re: Велофара своими руками.

Повідомлення Бешенный_бантик » 1.8.10 15:51

Зображення
меньше, легче, мощнее, страшнее)
Внутри MC-E, 2х18650, стандартный драйвер на 3 режима

пару часов оно дает. Протянула 2.5 смены на Б24(на асфальте экономил), пока не сдохла кнопка.
ездю абы как и абы где

orex_
* *
Повідомлень:78
З нами з:25.5.09 16:18
Стать:чол
Звідки:Рахів, Закарпатська

Re: Велофара своими руками.

Повідомлення orex_ » 1.8.10 15:53

меньше, легче, мощнее, страшнее
Внутри MC-E, 2х18650,...
- самі робили?

Аватар користувача
shapirus
*********
Повідомлень:4596
З нами з:7.5.06 10:03
Стать:чол

Re: Велофара своими руками.

Повідомлення shapirus » 1.8.10 15:54

стандартный драйвер на 3 режима
это кстати какой именно?

Аватар користувача
Бешенный_бантик
модератор
Повідомлень:2631
З нами з:15.1.07 12:32
Стать:чол
Звідки:Киев, Борщаговка

Re: Велофара своими руками.

Повідомлення Бешенный_бантик » 1.8.10 15:59

Внутри MC-E, 2х18650,...
- самі робили?
диод и аккумы? - да сам отливал)
остальное можно найти на ближайшей помойке, добавить клей, припой по вкусу
это кстати какой именно?
с бериледа за 88 грн
ездю абы как и абы где

Аватар користувача
Vasya_FD
*
Повідомлень:10
З нами з:27.7.10 15:29
Стать:чол

Re: Велофара своими руками.

Повідомлення Vasya_FD » 2.8.10 13:36

меньше, легче, мощнее, страшнее)
При такому радіаторі MC-E не перегрівається на максимумі?

Аватар користувача
Бешенный_бантик
модератор
Повідомлень:2631
З нами з:15.1.07 12:32
Стать:чол
Звідки:Киев, Борщаговка

Re: Велофара своими руками.

Повідомлення Бешенный_бантик » 2.8.10 13:46

неа, я ему обеспечиваю хороший обдув))
просто теплый при езде
алю радиатор там то так "шоб було", корпус - медный
на остановках включаю режим послабее

ps вообще не понимаю зачем в велофарах здоровенные кулеры
ездю абы как и абы где

Аватар користувача
VRP
типа остроумный
типа остроумный
Повідомлень:6141
З нами з:12.6.08 11:50
Стать:чол
Звідки:Борщаговка

Re: Велофара своими руками.

Повідомлення VRP » 2.8.10 15:55

неа, я ему обеспечиваю хороший обдув))
просто теплый при езде
алю радиатор там то так "шоб було", корпус - медный
на остановках включаю режим послабее

ps вообще не понимаю зачем в велофарах здоровенные кулеры
При 3А она не может не перегреваться по законам физики, токо если ехать без остановки 35-40 км/час. Или второй вариант - плохой тепловой контакт с диодом.
- Ты высыпаешься ночью?
- Куда высыпаюсь?
- Понятно..

x: как ты себя чувствуешь?
y: я чувствую себя так, как будто бы хочу торт

Сплю всегда с ножом под подушкой, на всякий случай, вдруг кто-нибудь с тортиком придет

Аватар користувача
Vasya_FD
*
Повідомлень:10
З нами з:27.7.10 15:29
Стать:чол

Re: Велофара своими руками.

Повідомлення Vasya_FD » 2.8.10 16:35

Я щось теж сумніваюсь, що при 10 Вт діоді слабо гріється, то справді треба беззупинно тиснути 30-40 км/год. В мене два діода по 0,7 А, то при русі радіатор (не маленький) дійсно ледь теплий а 10-15 хв стоянки і руку тримати важко. До речі, бувають діоди (стар) погано приклеєні до підложки, через що перегріваються, так що поганий тепловий контакт може бути як діод - підложка, так і підложка - радіатор.


Повернутись до “"Велофара власними руками"”

Хто зараз онлайн

Зараз переглядають цей форум: Немає зареєстрованих користувачів і 1 гість