Велофара 3.7 В.

Аватар користувача
Maksym
*********
Повідомлень:5638
З нами з:29.5.06 22:57
Стать:чол
Звідки:Київ, Куренівка
Re: Велофара 3.7 В.

Повідомлення Maksym » 17.11.13 01:14

Лучше это не читать :) .

putman
* *
Повідомлень:51
З нами з:12.7.12 17:14
Стать:чол

Re: Велофара 3.7 В.

Повідомлення putman » 17.11.13 01:32

Ок...

putman
* *
Повідомлень:51
З нами з:12.7.12 17:14
Стать:чол

Re: Велофара 3.7 В.

Повідомлення putman » 17.11.13 10:15

Нарешті відремонтував зарядку і відразу ж зарядив свою АКБ до 4.2 В, буду тестувати як буде себе вести світлодіод.
Навчився використовувати опорник для замірів АЦП, це буде великий крок у сторону правильної плати керування для ліхтарика.
Але все ж закінчу експеримент, мені здається що світлодіод може тримати більші струми якщо їх подавати імпульсами, частота яких нагадаю 5 кГц, суто для інтересу нехай трішки попрацює на свіжозарядженій батареї і з більш товстішими проводами(1 квадрат).
Згорить так згорить, навіть якщо буде нормально грітись то перестану займатись такими дурницями, а якщо буде все так як я вважаю то продовжу.
Еще раз повторю.
Импульсами на напряжении 4.2 вольта, Вы недобъётесь нормального КПД.

Аватар користувача
HWman
* *
Повідомлень:76
З нами з:11.7.13 01:59
Skype:tipa_ya123
Стать:чол

Re: Велофара 3.7 В.

Повідомлення HWman » 2.12.13 20:20

І так, зробив заміри, відразу кажу, щупи мультиметра не якісні, при вимірюванні струму на вході була одна напруга, на виході інша.
Цифри:
На вході:
Струм - 0,52 А
Напруга - 4.20 В(перед амперметром було 4.46 В)
На світлодіоді:
Струм - 0,55 А
Напруга - 3,20 В(перед амперметром було 3.50 В)
Схему не змінював, паралельно світлодіоду стоїть конденсатор на 3300 мкф для хоч якогось згладжування імпульсів ШИМ.
А на рахунок коду то дещо змінив, робоча частота МК піднялася до 9.6 мГц, і частота ШИМ збільшилась до 37.5 кГц для того щоб конденсатор не встигав розрядитись.
На рахунок нагріву теж є що добавити, з такими нововведеннями нагрів світлодіода зменшився порівняно з попередньою частотою ШИМа у 4.6 кГц, але почав помітно грітись транзистор, що з конденсатором, а раніше нагрів спостерігався лише коли добавив конденсатор, а і без нього, не те щоб сильно гріється, градусів під 40 якщо на вході 4.2 В, при зменшенні напруги нагрів зменшується.
Я думаю це пов'язано із самим транзистором, він не встигає відкриватись і закриватись, транзистор до речі випаяв із старої материнської плати - PHB55N03LT, резистор що "притискає" затвор до землі на 1 кОм.

І ще одне, навчився виставляти фюзи для мікроконтролера, раніше все було по замовчуванню, це дало мені змогу налаштувати BOD LEVEL на 2.7 В, так як у мене МК живиться через захисний діод, то на ньому є падіння напруги у 0.5 В, тому завдяки BOD'у я зробив навіть не програмний, а апаратний захист від глибокого розряду, ось відео навіть зняв(без конденсатора):

https://www.youtube.com/watch?v=RB1OCoUqFeo

Як бачите, захист( спочатку мигання, а потім взагалі вимкнення) працюють у діапазоні напруг 3.3-3.2 В.
Звичайно я розумію, що мій підхід далеко не оптимальний, в ідеалі заміст транзистора треба юзати драйвер на вище згадуваному ZXSC400, до речі, якщо вининути транзистор і підключити мою схемку до драйвера то вийде доволі таки непогано, буде і регулювання яскравості і задавання струму і запам'ятовування режиму і самі режими 100/75/50/25/0% і захист від глибокого розряду. Але я ще не робив стабілізацію по яскравості по струмі, з падінням напруги на акумі відповідно і буде падати яскравість на виході, поки немає зворотнього зв'язку хоча є і пам'ять і порти, просто лінь.

PS з моменту створення теми я зачерпнув чимало всього, як по програмуванні так і по самих світлодіодах, до речі читав що світлодіоди таки можуть терпіти ШИМ як у моєму випадку, але це таки скорочує ресурс світлодіода, на скільки сильно не писало але факт залишається фактом.
PSS Знімав відео більш детальнішої осцилограми і більш розрядним АЦП(12 біт) ще коли частота ШИМ була 4.6 кГц, звичайно з конденсатором(номінал у описі), ось вони:
https://www.youtube.com/watch?v=BdAPrCpencM
https://www.youtube.com/watch?v=VYHBvTOKIlc
Ускладнювати просте - просто...

Аватар користувача
V_Gorbunov
* *
Повідомлень:158
З нами з:13.4.13 04:57
Skype:gorbunov,victor
Стать:чол
Звідки:Київ, Солом’янка

Re: Велофара 3.7 В.

Повідомлення V_Gorbunov » 2.12.13 23:10

О, давно за темой слежу, но просто ругать и повторять сказаное другими смысла нет.

Про драйвер zxsc400 мысль правильная. Позволит не влазить в тонкости работы и программирования настоящих импульсных стабилизаторов, эта тема очень обширна. Она же и будет стабилизировать яркость, останется программировать только сервис. И юзать ее надо исключительно с рекомендованными транзисторами, кстати результат небольшого личного исследования.

Присоедняюсь ко мнению, что импульсный регулятор без индуктивности хоть и возможен ( switched capacitor ищем ), но капризен и сложен в реализации. Во всех ваших схемах не хватает как минимум, индуктивности и диода.

Аватар користувача
Maksym
*********
Повідомлень:5638
З нами з:29.5.06 22:57
Стать:чол
Звідки:Київ, Куренівка

Re: Велофара 3.7 В.

Повідомлення Maksym » 2.12.13 23:13

Я щось не розумію - при частоті ШИМ 4,5 кГц ви бачили мерехтіння??? І продовжуєте його бачити при частоті 37,5 кГц? І лише конденсатор допомагає злагодитит ці пульсації??? Мабуть у вас абсолютно безінерційне око. Я ШИМ 4,5 кГц можу помітити лише якщо застосовувати спеціальні методики. В звичайному житті таку частоту око не ловить.

Аватар користувача
HWman
* *
Повідомлень:76
З нами з:11.7.13 01:59
Skype:tipa_ya123
Стать:чол

Re: Велофара 3.7 В.

Повідомлення HWman » 3.12.13 15:44

А я хіба казав, що бачу мерехтіння на таких частотах? Через камеру телефона видно як у світлі бігають такі собі стрічки вниз.
Конденсатор добавляв для того щоб вбити імпульсну складову ШИМ, хотілось максимально простим способом "вирівняти" напругу.
Ускладнювати просте - просто...

putman
* *
Повідомлень:51
З нами з:12.7.12 17:14
Стать:чол

Re: Велофара 3.7 В.

Повідомлення putman » 3.12.13 21:13

А я хіба казав, що бачу мерехтіння на таких частотах? Через камеру телефона видно як у світлі бігають такі собі стрічки вниз.
Конденсатор добавляв для того щоб вбити імпульсну складову ШИМ, хотілось максимально простим способом "вирівняти" напругу.
Конденсатором Вы не выравняете напряжение. Диод будет мгновенно "выедать" всю запасённую конденсатором энергию. Для этих целей служит катушка, которая подобно маховику раскручивается до средней составляющей скважности ШИМ и крутится (читай даёт одинаковое, без пульсаций напряжение).
Но напряжение тут неправильно, диод питается током. При разных внешних условиях, температуре диода и т.п. при равном напряжении, ток на диоде будет отличаться.

M.G.Ferrum
* *
Повідомлень:196
З нами з:7.9.13 19:39
Стать:чол
Звідки:Київ. Оболонь.

Re: Велофара 3.7 В.

Повідомлення M.G.Ferrum » 3.12.13 23:38

Струм - 0,52 А
Напруга - 4.20 В(перед амперметром було 4.46 В)
На світлодіоді:
Струм - 0,55 А
Напруга - 3,20 В(перед амперметром було 3.50 В)

ну те, що струм на виході більше ніж на вході... пропущу :) а так ККД 100*(P/P_in) = 100*((0.55*3.2)/(0.52*4.2)) = 80,6% ну нехай ) хоча по правильному там хорошу б осцилограму і інтегральчик б ;-)

Аватар користувача
HWman
* *
Повідомлень:76
З нами з:11.7.13 01:59
Skype:tipa_ya123
Стать:чол

Re: Велофара 3.7 В.

Повідомлення HWman » 4.12.13 21:57

Без амперметра ККД буде більший між іншим.
Ітак, треба добавити зворотній зв'язок, ато при досягненні напруги 3.4 В яскравість впала майже в двоє на відміну від напруги у 4 В. Стабілізацію зроблю напевно строго по напрузі на вході, яскравість буде добавлятись на 5-10% при досягненні якогось порогу напруги на акумуляторі, так простіше, можливо не і правильно, але мені так простіше.
Шкода пам'яті малувато, мені б аттіні85, але вони дорогуваті, краще докласти пару грн і купити атмегу 8-му де на борту є все що треба, навіть більше, але вона велика, я хочу компактності, можливо колись нарисую пічатку для смд компонентів, ніби протеус вміє таке робити, але це я вже забіг на перед, для початку треба відпрацювати схему і код.

/*Конденсатором Вы не выравняете напряжение. Диод будет мгновенно "выедать" всю запасённую конденсатором энергию. Для этих целей служит катушка, которая подобно маховику раскручивается до средней составляющей скважности ШИМ и крутится (читай даёт одинаковое, без пульсаций напряжение).
Но напряжение тут неправильно, диод питается током. При разных внешних условиях, температуре диода и т.п. при равном напряжении, ток на диоде будет отличаться.*/
Боюсь здесь Вы не правы, диод не успевает съедать порцию тока ибо ёмкость большая, повторюсь, частота ШИМ у меня 37.5 кГц. Для дросселя нужен ещё один транзистор на котором будет инверсный ШИМ, это усложняет схему и код, это не мой уровень, я же обойдусь тем что есть.
Насчёт неправильности стабилизации напряжения я знаю, но для меня так проще сделать чем лепить на схему ещё ОУ.
Ускладнювати просте - просто...

putman
* *
Повідомлень:51
З нами з:12.7.12 17:14
Стать:чол

Re: Велофара 3.7 В.

Повідомлення putman » 7.12.13 16:44

Зато Ваш вариант простой и работает, нельзя не согласиться =)
Я хотел сделать подобное, но зарегистрировался тогда на форуме по радиоэлектронике, меня умные дядьки закидали какашками, стало стыдно и пришлось делать как они научили =)
Всё оказалось вовсе несложно.

Аватар користувача
HWman
* *
Повідомлень:76
З нами з:11.7.13 01:59
Skype:tipa_ya123
Стать:чол

Re: Велофара 3.7 В.

Повідомлення HWman » 9.12.13 03:27

Добавив зворотній зв'язок, тепер не можу зупинитись, навіть на чай... :robot: А головне все працює так як мені треба :Yahoo!:
До речі, особисті спостереження - якщо частоту виставити під 140 Гц і підключити паралельно світлодіоду конденсатор на 3300 мкФ, то транзистор і діод починають менше грітись при тій же яскравості якби без цього...
Раніше юзав частоту 4 кГц, то світлодіод(з кондюком) грівся так же, але разом з ним трішки і транзистор тратив ККД.
Ще одне спостереження, при регуляції ШИМом яскравості світлодіод гріється більше чим при регулюванні скажімо лінійним стабом на тій же яскравості.
І ще одне, тестив близько 10 год, нічого не грілось і не горіло, як прогнозували скептики, так що конденсатор в паралель світлодіоду звичайно не по феншую :58: , але не так вже і погано, одне знаю точно, ШИМ він згладжує бо світлодіод, як що не змінювати скважність ШИМа з під'єднаним конденсатором починає світити трішки яскравіше і при тому світлодіод трішки холоне.
Заодно і розрядив свою батарею з 6-ти запаралелених 18650, 10 год протягнули а на 11-й вже почав спрацьовувати захист від глибокого розряду(апаратний, буду робити ще і програмний), все як годинник, при напрузі у 3.27 ліхтар почав блимати, десь через хвилин з 5 взагалі погас, через хвилин 20 знову загорівся ненадовго... Ще одним плюсом вважаю те, що я забуду про таке поняття як балансування акумів, коли вони під'єднанні паралельно то розкидання по напрузі в принципі не можливе.
А ще - добавив підтягуючий резистор для кнопки, щоб не підтягувати той, що в середині МК, це ж байти коду та і не прийнято, краще щоб був "залізний" якого спалити навіть не шкода.
Заодно викинув старий підстроювальний резистор який я колись випаяв від магнітофона, він вже багато пережив бідолаха, на заміну йому поставив імпортний, синьо білий який ще і трішки менший по розмірах.

От одне цікаво, що буде з АЦП якщо я буду міряти напругу(порівнювати) з опорним дж. ~1.1 В і подам у цей момент наприклад 3В, зрозуміло що функція поверне значення 1023, ну а чи не перегорить там щось?
Ускладнювати просте - просто...

Аватар користувача
HWman
* *
Повідомлень:76
З нами з:11.7.13 01:59
Skype:tipa_ya123
Стать:чол

Re: Велофара 3.7 В.

Повідомлення HWman » 12.3.14 18:17

Пройшло чимало часу з моменту останнього повідомлення, за цей час трохи розібрався як працює DC-DC конвертор(ось до речі класна стаття http://catethysis.ru/index.php/dc-dc-pr ... el-lm2596/ ), освоїв роботу з ватчдогом і енергозберігаючими режимами роботи МК, також за цей час встиг з десяток годин потестувати свою схему, та що з конденсатором який прибирає імпульсну складову ШИМ, яка впринципі є пагубною для світлодіодів і призводить до підвищення нагріву і зменшення яскравості.
Я готовий спростувати міф що у моєму пипадку конденсатор виступає у ролі КЗ і що все що не з горіло те згорить незабаром, чому? Навіть по простій причині - світлодіод не зуміє розрядити в 0 конденсатор номіналом в кілька тисяч мікрофорад за сотню мілісекунд.
Наразі зумів досягнути споживання 0.80 мА у неактивному режимі, аля сон з "заведеним" ватчдогом.
У планах зменшити ще у 2 рази.
Від BOD"а взагалі відмовлюсь, річ у тім, коли BOD спрацьовує МК жере на повну силу, так як я вже навчився порівнювати напругу з джерелом опорної напруги, яка у тіні 13 становить 1.1 В мені цього вистачить щоб приспати на деякий час контролер і час від часу перевіряти чи не піднялась напруга(не зарядився акумулятор).
Ускладнювати просте - просто...

Аватар користувача
HWman
* *
Повідомлень:76
З нами з:11.7.13 01:59
Skype:tipa_ya123
Стать:чол

Re: Велофара 3.7 В.

Повідомлення HWman » 13.3.14 19:17

Зявився доступ до осцилографа, звичайно часу щоб розібратись з налаштуванням було мало, ось що вийшло:
Без конденсатора сигнал виглядав так:
http://i2.imageban.ru/out/2014/03/13/28 ... fa268f.png
Ось так з:
http://i4.imageban.ru/out/2014/03/13/e8 ... 71852e.png
Зробив осцилограф з звукової карти( http://www.illari.ru/electro/osc/ ) буду тестувати далі.
Ускладнювати просте - просто...

Аватар користувача
HWman
* *
Повідомлень:76
З нами з:11.7.13 01:59
Skype:tipa_ya123
Стать:чол

Re: Велофара 3.7 В.

Повідомлення HWman » 20.3.14 20:12

Осцилограма(з звукової карти ПК):

http://www.youtube.com/watch?v=XfmjPxm2p6I

Надіюсь тепер я розвіяв міф, що все буде горіти і що конденсатор у моєму випадку виступає як КЗ?


Паралельно займаюсь контролером заряду для свинцево-кислотного акумулятора(автомобільний або з упса) для сонячної панелі, так що ліхтар наразі другорядна річ, так що оновлень у найближчому часі не очікуйте...
Ускладнювати просте - просто...

Аватар користувача
HWman
* *
Повідомлень:76
З нами з:11.7.13 01:59
Skype:tipa_ya123
Стать:чол

Re: Велофара 3.7 В.

Повідомлення HWman » 25.6.14 10:12

Можно пару глупых вопросов?

Даст ли LC фильтр хотя бы приемлемую фильтрацию импульсной составляющей ШИМ?
Какая частота буде более оптимальной для ШИМ"а в моём случае?
Хватит ли вообще только одного LC фильтра или же нужно превращать схему в полноценный DC DC преобразователь, с диодом? Диоды это потери, хочется обойтись без них.

Оказывается у меня в городе навалом резисторов на 0.1 Ом, причём они недорогие как я считал. Они хороши для измерения падения напряжение через них, тоесть, по закон Ома и... и тока, если юзать опорник 1.1 В для измерений тока - можно обойтись и без ОУ, а это упрощение схемотехники...
Ускладнювати просте - просто...

Аватар користувача
HWman
* *
Повідомлень:76
З нами з:11.7.13 01:59
Skype:tipa_ya123
Стать:чол

Re: Велофара 3.7 В.

Повідомлення HWman » 24.8.14 21:10

Ускладнювати просте - просто...

Аватар користувача
HWman
* *
Повідомлень:76
З нами з:11.7.13 01:59
Skype:tipa_ya123
Стать:чол

Re: Велофара 3.7 В.

Повідомлення HWman » 20.12.14 20:31

phpBB [video]


Случайно наткнулся.
Вот ссылка:
http://chinascrap.ru/blog/ebay/23451.html
Ускладнювати просте - просто...

Аватар користувача
Maksym
*********
Повідомлень:5638
З нами з:29.5.06 22:57
Стать:чол
Звідки:Київ, Куренівка

Re: Велофара 3.7 В.

Повідомлення Maksym » 20.12.14 20:39

Таки лучше использовать классическую схему стабилизатора тока на ОУ и мосфете, а контроллер использовать для задания опорного напряжения на ОУ и таким образом регулировать ток.

Аватар користувача
HWman
* *
Повідомлень:76
З нами з:11.7.13 01:59
Skype:tipa_ya123
Стать:чол

Re: Велофара 3.7 В.

Повідомлення HWman » 21.12.14 02:27

А можете схемку показать?
Ускладнювати просте - просто...

Аватар користувача
Maksym
*********
Повідомлень:5638
З нами з:29.5.06 22:57
Стать:чол
Звідки:Київ, Куренівка

Re: Велофара 3.7 В.

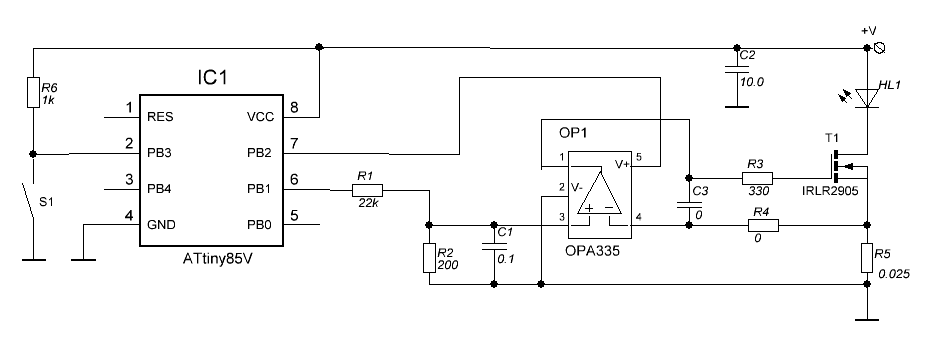
Повідомлення Maksym » 21.12.14 02:33

Dled_V4M.GIF
Dled_V4M.GIF (9.33Кіб)Переглянуто 8403 разів
C3, R4 не нужны.

Аватар користувача
HWman
* *
Повідомлень:76
З нами з:11.7.13 01:59
Skype:tipa_ya123
Стать:чол

Re: Велофара 3.7 В.

Повідомлення HWman » 26.11.15 13:59

Dled_V4M.GIF
C3, R4 не нужны.
Спасибо.Хорошая схема :good:
Сейчас перечитываю свои ранние посты с улыбкой, надо же, рулить светодиодом чистым ШИМ-ом 8)
Ускладнювати просте - просто...

Аватар користувача
Maksym
*********
Повідомлень:5638
З нами з:29.5.06 22:57
Стать:чол
Звідки:Київ, Куренівка

Re: Велофара 3.7 В.

Повідомлення Maksym » 26.11.15 14:55

Рад что вы разобрались :) . А то в китайских фонарях часто до сих пор встречается руление чистым ШИМ-ом :( - они до сих пор не поняли своей ошибки.

Аватар користувача
HWman
* *
Повідомлень:76
З нами з:11.7.13 01:59
Skype:tipa_ya123
Стать:чол

Re: Велофара 3.7 В.

Повідомлення HWman » 26.11.15 18:50

Рад что вы разобрались :) . А то в китайских фонарях часто до сих пор встречается руление чистым ШИМ-ом :( - они до сих пор не поняли своей ошибки.
Ну, с экономической стороны так дешевле, а капитализм что диктует? Продавать, и побольше побольше...
Ускладнювати просте - просто...

Аватар користувача
Trion
*********
Повідомлень:7465
З нами з:26.2.05 17:42
Стать:чол
Звідки:Київ

Re: Велофара 3.7 В.

Повідомлення Trion » 26.11.15 21:04

Один только тот высокоточный операционник сейчас стоит как весь драйвер вроде https://www.fasttech.com/products/0/100 ... ght-driver
PWM без разницы, если пик тока не превышает паспортный максимум для светодиода (в случае с АМС7135 неактуально), только в дождь и снег некоторый дискомфорт может быть.


Повернутись до “"Велофара власними руками"”

Хто зараз онлайн

Зараз переглядають цей форум: Немає зареєстрованих користувачів і 0 гостей